fuji@163.com
0595-2246 3785
中文
英文
首页
关于我们
公司介绍
业务优势
竞争优势
资质证书
新闻动态
公司新闻
行业新闻
新闻详细
产品介绍
乘客电梯
观光电梯
无机房电梯
医用电梯
载货&汽车电梯
别墅电梯
自动扶梯
自动人行道
配件
工程案例
中国
阿尔及利亚
埃及
伊朗
加纳
科威特
马尔代夫
马耳他
黎波里
澳门
马来西亚
巴基斯坦
菲律宾
卡塔尔
沙特阿拉伯
斯洛伐克
南非
斯里兰卡
苏丹
阿联酋
爱尔兰
巴勒斯坦
销售网络
技术服务
售后服务
下载中心
联系我们
招聘信息
联系我们
首页
产品介绍
自动人行道
乘客电梯
土建布置图
标准参数表
观光电梯
土建布置图
标准参数表
无机房电梯
土建布置图
标准参数表
医用电梯
Standard Dimension
载货&汽车电梯
土建布置图
标准参数表
别墅电梯
土建布置图&标准参数
自动扶梯
自动扶梯规格表
自动扶梯/自动人行道标准功能
自动扶梯/自动人行道选配功能
自动扶梯安全装置
自动扶梯规划指南
自动扶梯土建参数
自动人行道
自动人行道安全装置
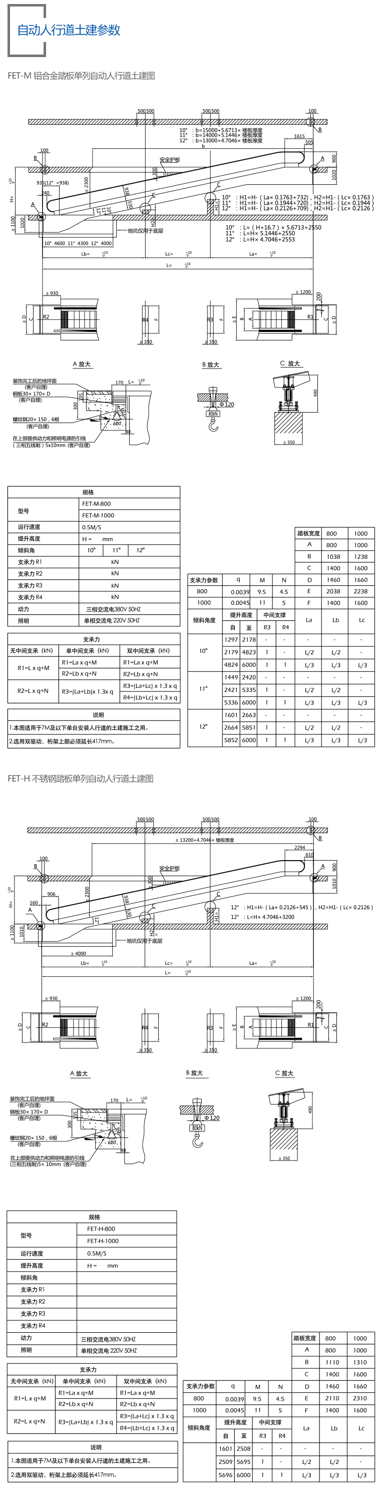
自动人行道土建参数
配件
电梯标准功能
电梯选配功能
轿门层门设计
乘客电梯轿厢设计
观光电梯轿厢设计
家用电梯轿厢设计
扶手和色样
轿厢吊顶设计
轿厢地板设计
操作箱和召唤盒设计
操作箱和召唤盒设计(家用电梯)
附件
关注我
微信公众号
手机网站
×
Message
名字:
邮箱:
地址:
内容:
关注
我
消
息
向
上